
Contact Rating: 1A@120VAC or 28 VDC;
Electrical Life: 50,000 cycles
Contact Resistance: 20mΩ max.
Insulation Resistance: 1,000MΩ min.
Dielectric Strength: 1,500V RMS @sea level
Operating Temperature:-30℃~+85℃

介绍:
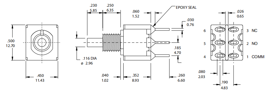
小型按键开关T80-P系列,有SPDT、DPDT等功能,有直脚和90度弯脚,各种端子种类跟长度和多种规格盖帽,我们产品拥有UL、ENEC并符合ROHS规范

