
Contact Rating: 5A@125 VAC OR 28 VDC; 0.4VA max@ 20VAC or DC max.
Electrical LifeL 50,000 cycles
Contact Resistance: 10mΩ max.
Insulation Resistance: 1,000MΩ min.
Dielectric Strength: 1,500V RMS @sea level

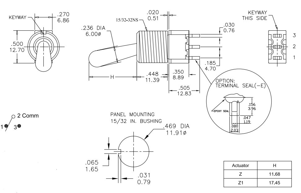
介绍:
钮子开关,摇头开关T80-T系列,有SPDT、DPDT、3PDT、4PDT等功能,有直脚和90度弯脚,各种端子种类跟长度,各种手柄,提拉自锁式手柄以及各种固定方式,我们产品拥有UL、ENEC并符合ROHS规范。

