51一品茶楼,全国同城凤凰楼信息茶楼,江苏桑拿论坛(最新),苏州花千坊品茶论坛

  • 首 页 ?>
  • 产品展示 ?>
  • 钮子开关 ?>
  • 摇头开关 ?>
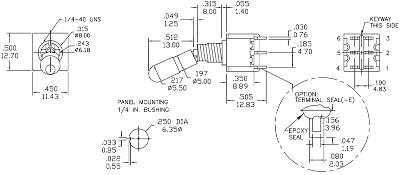
  • 钮子开关T8011-LKBQ-H
  • 钮子开关T8011-LKBQ-H

    介绍:
    钮子开关,摇头开关T80-T系列,有SPDT、DPDT、3PDT、4PDT等功能,有直脚和90度弯脚,各种端子种类跟长度,各种手柄,提拉自锁式手柄以及各种固定方式,我们产品拥有UL、ENEC并符合ROHS规范。

    在线咨询

    Contact Rating: 5A@125 VAC OR 28 VDC; 0.4VA max@ 20VAC or DC max.
    Electrical LifeL 50,000 cycles
    Contact Resistance: 10mΩ max.
    Insulation Resistance: 1,000MΩ min.
    Dielectric Strength: 1,500V RMS @sea level


    在线留言