
Contact Rating: 6A@125VAC or 28 VDC; 0.4VA max@ 20VAC OR DC max.
Electrical Life: 50,000 cycles
Contact Resistance: 10mΩ max.
Insulation Resistance: 1,000MΩ min.
Dielectric Strength: 1,500V RMS @sea level
ESD Resistant: Dissipates up to 20,000VDC

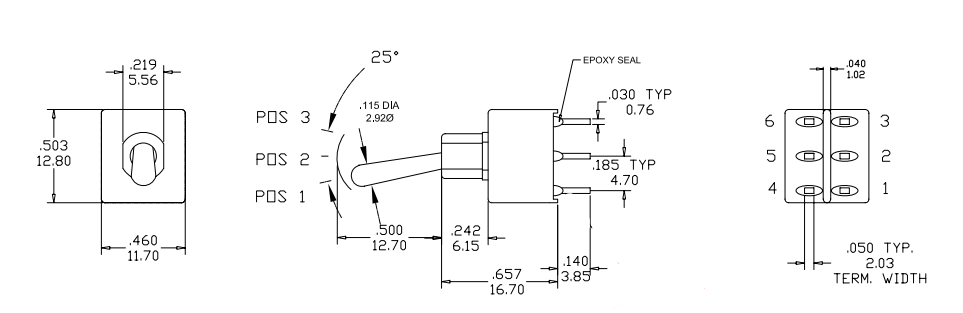
介绍:
钮子开关,摇头开关防水系列,有SPDT、DPDT等功能,有直脚和90度弯脚,各种端子种类跟长度,各种手柄以及各种固定方式,我们产品拥有UL、ENEC并符合ROHS规范。

